Singapore client's success with our vertical granule packaging machine from Fame Machinery

Singapore client's success with our vertical granule packaging machine from Fame Machinery

Summary

Theme: vertical granule packaging machine to dried squids

Published by : Fame Machinery

Country: Singapore

Customer: food factory

Packed by: plastic film

Philippines client's success with our vertical powder packaging machine from Fame Machinery
packing machine



               Theme: vertical granule packaging machine to pack
               dried squids

               Published by : Fame Machinery

                Country: Singapore

                Customer: food factory

                Packed by: plastic film

Order requirements

1.As a food factory,this year we plan to develop a new product line-- dried squids with special taste,and decide to pack 35 grams and 100 grams by plastic bags to sell. It needs two different bag sizes so far. One bag size is 100mm*150mm,another bag size is 150mm*200mm. It is possible to change the bag size in the future if we have other packaging solutions.

2.The packaging accuracy should be good enough for each bag. And we need vacuum packaging solution to keep the dried squids in fresh. Ask for back seal for the bags. Production capacity 20-50 bags per minute is acceptable.

3.Plastic bags: we will customize plastic bags by ourselves,but manufacturer should test the packaging machine and related material based on our requirements.

4.Date printing and finished products conveyor are requested.
The solution

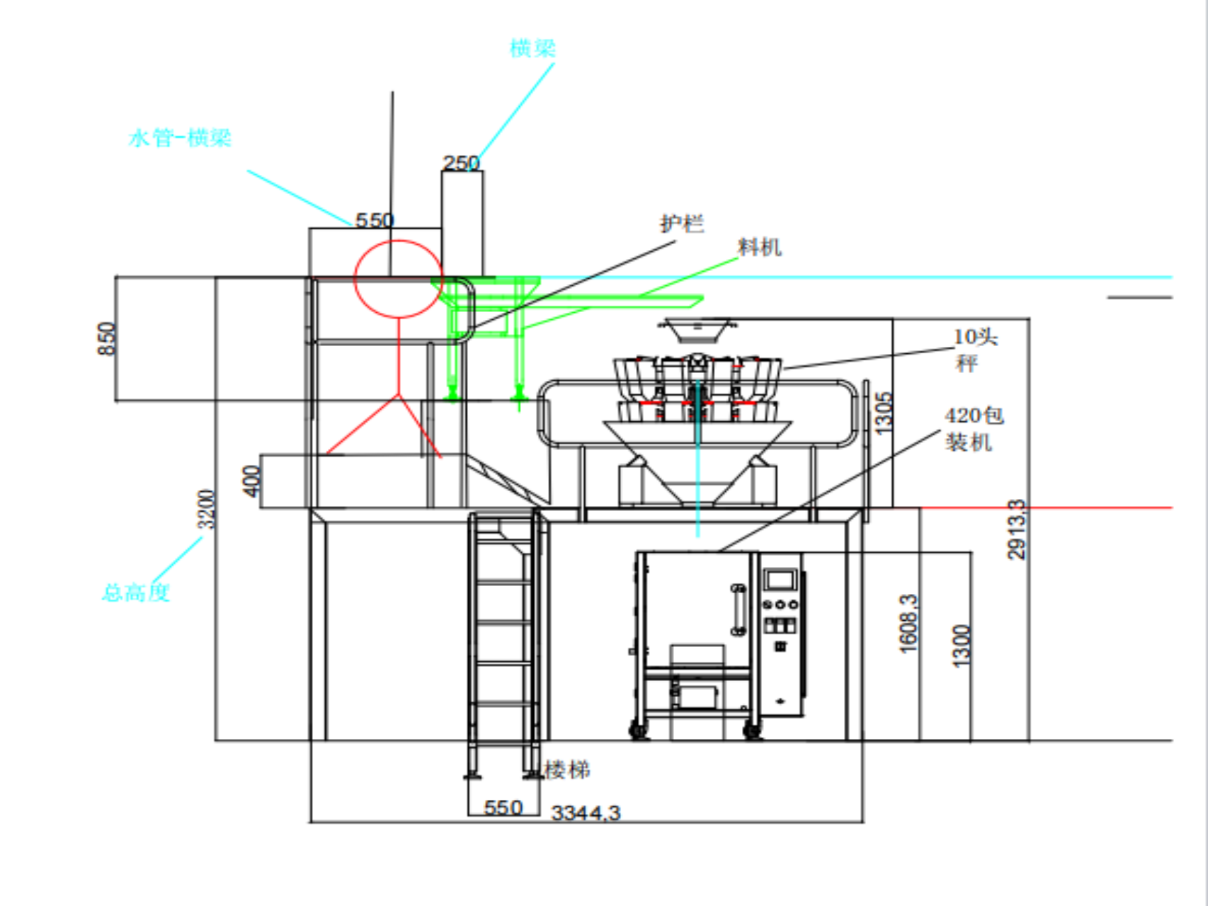
1.After evaluating the client's requirements,we advise to use our 420mm vertical granule packaging machine. 20-45 bags per minute can meet the production capacity.

2.We will use plastic film width 320mm and pack 100 gram of dried squids for test.

3.In order to keep the high packaging accuracy,we advise to use 10-head scales with 80L average speed unloading hopper and extended unloading slot.

4.Date printer/ribbon coding machine and finished products conveyor will be equipped with the packaging machine.

5.Nitrogen is necessary to keep the dried squids in fresh during the packing process, so we will equip nitrogen connection as the nitrogen connector.

6.This granule packaging machine with 10 heads scale will be very tall. So the working platform is necessary. We will customize one working platform with 1.8*1.8*1.55 meters for the unloading hopper,so workers can put the dried squids into the hopper more easily, and one custom working platform with 1.5*1.5*1.55 meters for the packaging machine to support the 10 heads scale.

7.Convertor is necessary to make sure the whole packaging solution is working in 415V, 3 phase, 50 Hz.
automatic packaging machine

                              Z shape feeding machine
vertical packaging machine

                                       working table
vertical form fill seal machine

                   ten heads scale to pack dried squids
vertical packaging machine

                            complete packing machine drawing
   granule packing machine packs dried squids with 10 heads scale
                 
Feedback from client

This is a big project,we spent much time and cost for this project,finally we received this vertical granule packaging machine and everything works well, thanks for your team and patience.we will contact your team soon for new projects.

This testimonial reflects that Fame Machinery is committed to providing high quality and suitable packaging solution for each client.
Why choose Fame Machinery ?

1.we specialize in customizing packaging solutions,to meet different requirements from different clients.

2.High accuracy and speed : Fame Machinery provide different packaging machines,like bottle filling machines,liquid packaging machine, powder packaging machine, paste packaging machine, sauce filling machines, carton packing machine, blister packaging machine, labeling machines,sealing machines,wrapping machines,vacuum packaging machines etc.no matter what kind of packaging machines,we are committed to providing high accuracy and speed for our each packaging machine.

3.We provide one year warranty for our packaging machines and lifelong consultation service for free. As the after-sales service,we also provide door-to-door service,remote operation guidance by video call or online consultation service etc.